kubota b7300 manual

G01900 ELECTRICAL SYSTEM ELECTRICAL SYSTEM EPC Kubota online. 11 Images about G01900 ELECTRICAL SYSTEM ELECTRICAL SYSTEM EPC Kubota online : Kubota b7300 hsd tractor parts catalogue manual, Kubota b7300 hsd tractor parts catalogue manual and also G01900 ELECTRICAL SYSTEM ELECTRICAL SYSTEM EPC Kubota online.

G01900 ELECTRICAL SYSTEM ELECTRICAL SYSTEM EPC Kubota Online

G01900 ELECTRICAL SYSTEM ELECTRICAL SYSTEM EPC Kubota online ku-part.com

kubota parts electrical system diagram epc t1560

Kubota Seat B7300 B7400 B7500 | EBay

Kubota Seat B7300 B7400 B7500 | eBay www.ebay.com

directfit b1550 b2100 b1700 b20 b7610 b1750 b7510 b7410 l4200 b7400 b7500 b7300 b2400

TractorData.com Kubota B2400 Tractor Photos Information

TractorData.com Kubota B2400 tractor photos information tractordata.com

kubota b2400 operator station tractordata 1264

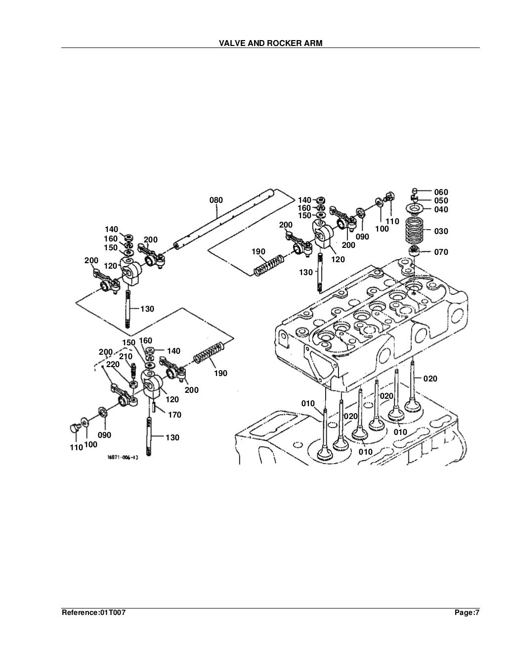
Kubota B7300 Hsd Tractor Parts Catalogue Manual

Kubota b7300 hsd tractor parts catalogue manual www.slideshare.net

b7300 hsd

Kubota B7300 Parts Diagram - Free Wiring Diagram

Kubota B7300 Parts Diagram - Free Wiring Diagram tianpinyt.blogspot.com

kubota b7300 turf scag tiger

KUBOTA B1750 HSD TRACTOR PARTS MANUAL - ILLUSTRATED MASTER PARTS LI...

KUBOTA B1750 HSD TRACTOR PARTS MANUAL - ILLUSTRATED MASTER PARTS LI... www.tradebit.com

kubota parts manual tractor b1750 list master hsd pdf illustrated mb file ebook

Used Kubota B7300

Used Kubota B7300 www.messicks.com

b7300 kubota 4wd hst 1126 loader tooth mower hrs belly bar messicks

Kubota B Series Soft Side Cab - Curtis Industries Tractor Cab

Kubota B Series Soft Side Cab - Curtis Industries Tractor Cab curtisindustries.net

cab kubota soft tractor series side b7800 curtis

Kubota’s Online Illustrated Parts Catalog | OrangeTractorTalks

Kubota’s Online Illustrated Parts Catalog | OrangeTractorTalks www.orangetractortalks.com

kubota parts illustrated catalog diagram mower exploded list wiring l3600 crankcase

Kubota B7300 Hsd Tractor Parts Catalogue Manual

Kubota b7300 hsd tractor parts catalogue manual www.slideshare.net

b7300 hsd kubota

EquipmentFacts.com | KUBOTA B7300 Online Auctions

EquipmentFacts.com | KUBOTA B7300 Online Auctions www.equipmentfacts.com

kubota b7300

Kubota b series soft side cab. Kubota b1750 hsd tractor parts manual. Kubota parts manual tractor b1750 list master hsd pdf illustrated mb file ebook