lincoln ls wiring diagram

Lincoln Navigator Fuse Box Diagram - 2005 Lincoln Navigator Wiring. 18 Images about Lincoln Navigator Fuse Box Diagram - 2005 Lincoln Navigator Wiring : Lincoln Wiring Harnes - Wiring Diagram Example, 17+ Printable Wiring Diagram 2005 Lincoln Town Car - Car Diagram and also 2005 Lincoln Ls Wiring Harness Database - Wiring Diagram Sample.

Lincoln Navigator Fuse Box Diagram - 2005 Lincoln Navigator Wiring

Lincoln Navigator Fuse Box Diagram - 2005 Lincoln Navigator Wiring tacoma-wiring-diagram.blogspot.com

aviator ru fotohostingtv

2001 Lincoln Ls Fuse Box Diagram - Wiring Forums

2001 Lincoln Ls Fuse Box Diagram - Wiring Forums wiringforums.com

fuse lincoln town diagram box 2001 wiring ls 1998 2002 2007 2006 crownvic panel 1996 block 1985 fuses diagrams instruction

Do You Have A Wiring Diagram That Gives The Wire Colors And Pin Numbers

Do you have a wiring diagram that gives the wire colors and pin numbers www.justanswer.com

ls lincoln wiring diagram 2005 radio harness amp module steering wheel wire accept forget ford answer thanks button credit

Lincoln Wiring Diagrams: 1957 - 1965

Lincoln Wiring Diagrams: 1957 - 1965 www.oldcarmanualproject.com

lincoln wiring continental 1965 diagrams diagram 1971 box fuse 1967 classic connectors cant circuit town half elect windows alternator ignition

17+ Printable Wiring Diagram 2005 Lincoln Town Car - Car Diagram

17+ Printable Wiring Diagram 2005 Lincoln Town Car - Car Diagram www.pinterest.com

lincoln town wiring navigator untpikapps mack wiringg nano 1998 4runner fuses schematron diyparty99 cxu613 nostoc schemas lesabre

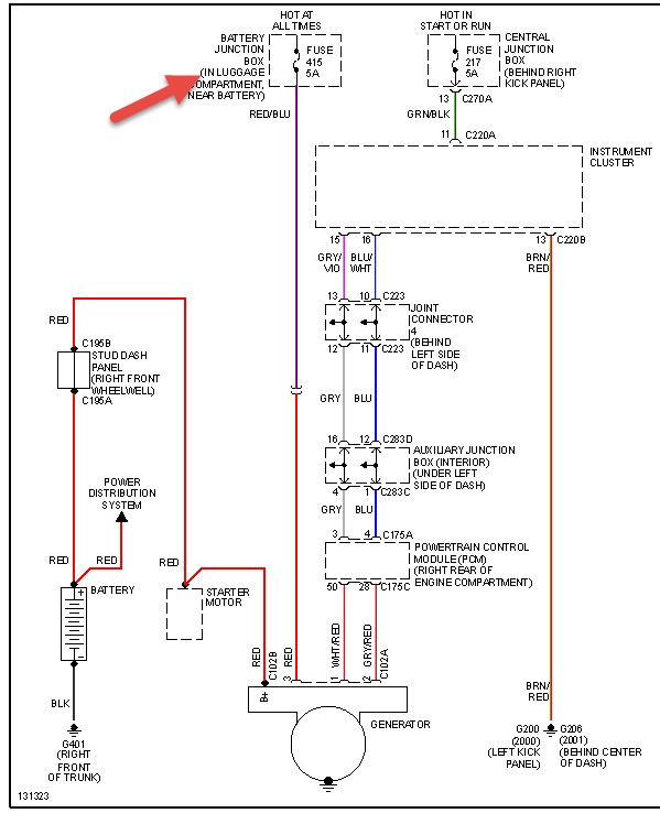
2002 Lincoln Ls Wiring Diagram

2002 Lincoln Ls Wiring Diagram wiringdiagramsx.blogspot.com

ls wiring lincoln diagram wrg

C6 Corvette Wiring Diagram - Easywiring

C6 Corvette Wiring Diagram - easywiring www.easywiring.info

corvette cb400f easywiring 240sx wires

2002 Lincoln Ls Wiring Diagram

2002 Lincoln Ls Wiring Diagram wiringdiagramsx.blogspot.com

Lincoln Wiring Harnes - Wiring Diagram Example

Lincoln Wiring Harnes - Wiring Diagram Example xtobefreeky.blogspot.com

harnes

| Repair Guides | Heating, Ventilation & Air Conditioning (2001

| Repair Guides | Heating, Ventilation & Air Conditioning (2001 www.autozone.com

wiring diagram nissan frontier 2000 2001 xterra 2006 air wrangler jeep light radio ac fog diagnoses trouble stereo blower motor

I Have 2000 Lincoln Ls It Wont Start I Charged The Battery All The

I have 2000 lincoln ls it wont start i charged the battery all the www.justanswer.com

lincoln ls 2000 fuse box charged wont start passenger

Wiring Diagram PDF: 2002 Lincoln Ls Wiring Diagram Free Picture

Wiring Diagram PDF: 2002 Lincoln Ls Wiring Diagram Free Picture wiring-pdf.blogspot.com

2005 Lincoln LS Shop Manual 2 Volume Set Original

2005 Lincoln LS Shop Manual 2 Volume Set Original www.faxonautoliterature.com

Lincoln Shop And Overhaul Manual

Lincoln Shop and Overhaul Manual www.canadianmilitarypattern.com

2006 Lincoln LS Wiring Diagram Manual Original

2006 Lincoln LS Wiring Diagram Manual Original www.faxonautoliterature.com

lincoln diagram wiring ls 2006 manual

2005 Lincoln Ls Wiring Harness Database - Wiring Diagram Sample

2005 Lincoln Ls Wiring Harness Database - Wiring Diagram Sample faceitsalon.com

limitorque

2003 Toyota Tundra Fuse Box Diagram

2003 Toyota Tundra Fuse Box Diagram animaux-poissons.blogspot.com

lincoln wiring integrated schematron tundra es300

2001 Lincoln Town Car Serpentine Belt Diagram - Wiring Forums

2001 Lincoln Town Car Serpentine Belt Diagram - Wiring Forums wiringforums.com

lincoln serpentine routing wiring timing tensioner marquis 2carpros wiringforums

2005 lincoln ls wiring harness database. Lincoln town wiring navigator untpikapps mack wiringg nano 1998 4runner fuses schematron diyparty99 cxu613 nostoc schemas lesabre. Corvette cb400f easywiring 240sx wires